Dual Redundant Ethernet TRDP-UART module

NETMODSin-A7 model is produced by Guangzhou Zhongzhicheng Information Technology Co., LTD. It is Ethernet &TRDP module to TTL serial interface protocol conversion module.
Ethernet mandatory full-duplex 100Mbps by default.
The default baud rate of TTL serial is 115200bps, and other baud rates are customizable.
Ethernet interface 0 acts as the TRDP0 interface to connect with train network 0.
Ethernet interface 1 acts as the TRDP1 interface and is connected to train network 1
Specifications
Features
Data Download
Sales & Service


1. Normative Document

uEMC conform to the standard of EN 50121-3-2:2006;

uEthernet complies with the standards of IEC61375-2-3:2015 and IEC61375-3-4:2014

2. Electrical Parameter

Unless otherwise stated, the parameters listed in the following table refer to values at Tamb=25 ° C.


3.Mechanical Dimension

                                                            Top View

The external mechanical dimension (expressed in metric units) as above drawing, which specifies the length, width, height of the product, and part of the mechanical structure. Users can refer to the positioning parameters (expressed in metric units) accord it if they need to make the NETMODSin A7 baseboard (motherboard). The distance between the rows of needles is 40.64mm (1600 mil), and the spacing between needles is 2.54mm (100 mil).

                                                              Side View

4. Pin Description


* Note: Please leave the reserved pin to be NC! When connect with MCU, TXD1 and RXD1 should be cross-connected.

The reset pin of the nRST should be pulled down at least 500ms before it can be reset, and then it needs to maintain the high level   2000ms before it can work normally.

5. Ethernet M12 Interface

The Ethernet is equipped with "D" coded M12 connector with a metal shield housing, which is hole connector, and the definition as following:

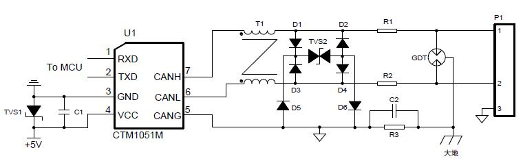
6. CAN Interface Reference Circuit On Baseboard

The CAN interface on the TRDP module is the TTL level, which is the signal from the CAN controller. It needs to add the CAN transceiver to become CANH and CANL levels. So the recommended circuit is as follows:



1. Product Feature

u100M mandatory full-duplex Ethernet interface, 2KV electromagnetic isolation, default configuration is MDI mode;

uEthernet comes with isolation transformer, isolation voltage of 2500V;

uEthernet protocol conforms to the standards of IEC61375-2-3 and IEC61375-3-4, and supports TRDP protocol.

uIt supports TRDP process data (PD mode) and message data (MD mode), and supports SDTV2 security data.

uEthernet supports TTDB to automatically get dynamic and static topology of trains.

uMAC addresses are globally unique

uEthernet supports DNS to have communication through domain name.

uIt supports four TRDP COMID ports to receive and send packets COMID dynamic adjustment.

uIntegrated one CAN2.0B interface, compatible with CAN2.0A, complies with ISO11898-1 standards;

uUART high-speed serial port baud rate is 115200bps ;

uThe main power supply is 5V.

uOperating temperature: -40℃ ~ +85℃

uStorage temperature: -40℃ ~ +85℃

uMax relative humidity: 90%


Sales Tel: +86-4008742688

Service Tel: +86-4008742688

Contact Email: gzzzc@zzccom.com

Pls contact us in above way, we will show you live demo for the product you are interested in. Many thanks for your attention.


Address: 154 Heguang Road, Tianhe District, Guangzhou City, Guangdong Province     TEL:+86-4008742688  +86 153 2336 8276  
Email: gzzzc@zzccom.com
Guangdong ICP No. 16058806